générateur de signaux en dent de scie - Overclocking, Cooling & Modding
Marsh Posté le 01-09-2007 à 15:28:09
- Vcc: alimentation symétrique +- 1Vdc
- R1: résistance variable
- C1: condensateur électrochimique
- T1: Transistor bipolaire ou MOS(R2 devient inutile)
-IC1: Comparateur de tensions
Le condensateur se charge à travers R1.Quand il est chargé, IC1 commande T1 qui court-circuite C1, le déchargeant instentanément.
R1 est variable pour choisir la fréquence du signal.
Marsh Posté le 01-09-2007 à 15:32:51
Mon montage ne servirat pas à effectuer des mesure mais seulement à visualiser un signal. Aucune précision au niveau de la fréquence ou de l'amplitude du signal n'est nécessaire.
Marsh Posté le 02-09-2007 à 12:43:21
hmmm! ça m'interesse beaucoup ça! j'ai un viel écran d'ordi qui traine. tu pense que ça peut se faire aussi?
IC1 c'est un ampli op c'est ça?
Et pour les signaux il fait qu'ils soit de nimporte quelle tension ou y'en à-t-il une a respecter?
Si tu veux je peux t'aider à faire une alim pour le -1V~+1V.
Mais peut-être que tu peux la récupérer sur un bout de la télé et modifier ensuite la tension.
ça serais ptetre possible de récupérer la sortie du transfo, redresser la tension et mettre deux régulateurs derière comme ceci:
http://perso.orange.fr/e-lektronik [...] dex(1).htm
sauf qu'a la place des 78/7912 faut mettre des 7801 et 7901.
Edit: j'ai cherché un peu apparament les 78L01 n'existent pas, c'est 5V mini.
Y'a toujours les LM317 qui vont de 1.2V à 37V... ![[:spamafote] [:spamafote]](https://forum-images.hardware.fr/images/perso/spamafote.gif)
Marsh Posté le 02-09-2007 à 17:06:38
Ouais, je pense récupéré le générateur d'origine. Même sur une télé y faut un balayage!!!
Pour le +1V/-1V, je pensait à une diode zéner ou à un pont diviseur; à voir...
Il n'est pas dit que pour votre écran le signal en dent de scie doit avoir une amplitude de 1V, c'est à déterminer expérimentalement.
Cependant, IC1 est un comparateur qui détecte la charge du condo.
[url]http://www-peda.ac-martinique.fr/p [...] illo.shtml[/url]
ce site est très bien foutu mais aucune valeur ou référence n'est donnèe... Je vais demander conseils à mon prof d'élec.
Pour l'écran d'ordi, si c'est un cathodique c'est bon.
Marsh Posté le 02-09-2007 à 20:14:10
Ton lien est dead
Je vais lire plus attentivement la marche a suivre pour pouvoir utiliser mon écran comme un oscillo. Même si on ne peux pas faire de mesures c'est marrant et pas ininteressant de toute façon ![]()
Marsh Posté le 03-09-2007 à 12:05:20
et voila:
http://www.hiboox.com/lang-fr/imag [...] q3h6vi.jpg
http://www-peda.ac-martinique.fr/p [...] illo.shtml ( il marche j'ai essayé
)
Marsh Posté le 04-09-2007 à 14:46:37
Pour choisir la définition verticale, que pensez-vous d'un circuit comme celui-ci, avec aussi une structure équivalente mais à base d'ampli?
les signaux envoyés au tube sont pris aux points fléchés.
Les valeurs des condos et résistances sont à revoir ou il faut les remplacer par des composants ajustables (ce que je vais faire)
Si quelqu'un connais une entreprise qui grave des CI en très petites série (1 exemplaire), qu'il me fasse signe!!!
Marsh Posté le 04-09-2007 à 17:01:42
A mon lycée ils veulent bien me graver un CI sur une chute peut-être qu'au tiens aussi.
Pour ton shéma je rentre en Terminale STI électronique cette année donc je ne sais pas si il est équivalent à l'autre ^^
Il devrais y avoir plus de monde sur ce topic quand même!! allez swiss et tout ca!
Marsh Posté le 06-09-2007 à 16:55:00
Ok. Je vois mon prof d'élec demain... On a une graveuse dans la salle, sa devrait aller.
Pour les thypons, on doit avoir le logiciel adéquat (la graveuse est à CN
).
Je les mettrait en ligne dès que possible.
Marsh Posté le 06-09-2007 à 17:32:46
bin j'ai vite parcouru le topic, l'idée à l'air bonne !
je vois que tu utilise pspice, c'est déjà une bonne chose !
le premier schéma à l'air bien, un intégrateur vite fait avec une R et un C sur un signal continue, mais pas sur que tu va avoir ce que tu veux, tu peux faire un intégrateur avec un AOP je pense ca serait mieux mais bon apres c'est au niveau de la tension que ca va bloquer enfin y'a moyen d'abaisser tout ca par la suite
Si tu veux que je te teste des circuits sous pspice tu peux me mp
Marsh Posté le 10-09-2007 à 17:34:36
| beta38 a écrit : |
Bonne idée!! J'ai déja fait plusieurs essaie sans succès et je dois avouer que la je sèche....
En revanche, j'ai trouvé sa:
Un comparateur à hystérésis idéal pour notre générateur: 
Marsh Posté le 10-09-2007 à 18:57:15
Houla... ^^
La je suis completement largué par contre!
Je vais revoir un peu mes cours de 1ere et revenir
Mais ça m'interesse trop pour que je lache l'affaire!
Surtout que j'ai vraiment un écran qui traine!
Marsh Posté le 11-09-2007 à 20:15:21
lol. J'ai juste un souci au niveau du BF256: C'EST QUOI???????
Marsh Posté le 12-09-2007 à 16:46:21
Le BF256 est un transistor qui permet d'amplifier (si on l'utilise de cette manière) les signaux dans la bande radiofréquence VHF / UHF (Very High Frequency / Ultra High Frequency).
De mémoire c'est entre 100 MHz et 500 MHz.
Il y a des transistors pour chaque gamme de fréquence, puissance, adaptation, etc.. sur le marché de l'électronique.
C'est pourquoi il non pas tous les mêmes applications ![]()
Marsh Posté le 13-09-2007 à 18:54:40
ReplyMarsh Posté le 13-09-2007 à 18:56:00
Demain cour d'élec j'aurai de nouvelles infos
Marsh Posté le 23-09-2007 à 16:26:47
J'ai trouvé sa, c'est limite hors sujet (pas d'écran à modifier) mais sa peut être très sympa:
http://kudelsko.free.fr/
Rubrique "instruments de mesures"
Section "oscilloscope pour PC"
Marsh Posté le 23-09-2007 à 16:31:10
| amaury10 a écrit : Je sais, mais le BF256 ne ressemble pas à un mos: |
Normal puisque ça n'est pas un MOS
Marsh Posté le 23-09-2007 à 20:03:10
Voici un générateur de courant réglable:
Il suffit d'y connecter en guise de charge un condensateur judicieusement dimensionné et un trigger de Schmidt
pour commander sa décharge et l'on a alors un générateur de rampe...
L'intensité fournie est fonction de la tension fournie par le VSin: 0Vdc->0.5Vdc
Marsh Posté le 24-09-2007 à 13:51:39
L'avantage de ta solution c'est que cela peut faire un géné de courant ou un géné de rampe ![]()
Marsh Posté le 24-09-2007 à 14:12:11
C'est pas ce qui est utilisé dans les élévateurs de tension?
Ca me semblerait logique en tout cas: on charge X condos à courant constant et élevé, on les fout en série et on débite forcément plus lentement, pendant ce temps on charge une autre batterie de condos et on change à chaque "phase" la série de condos qui débite...
Marsh Posté le 24-09-2007 à 14:41:27
Pas exactement... dans le cadre des réhausseurs de tensions, c'est le classique couplage self + condo qui fait soit un rehausseur ou un abaisseur de tension et tu découpes avec un tit PWM...
Ta méthode théoriquement est bonne ... mais je n'en ai pas croisé personnellement...
Au passage salut Gig
Edit: Roh T1 mes fautes
Marsh Posté le 24-09-2007 à 15:01:34
Donc circuits résonnants en fait, il est vrai que c'est pas con non plus ![]()
Marsh Posté le 26-09-2007 à 17:27:38
Et voici une rampe (le générateur à courant constant est celui pésenté ci-dessus):
Le problème c'est qu'elle n'est pas centrée sur la bonne valeur et que je n'arrive pas à commander la décharge des condensateurs.
Vos suggestions???
Marsh Posté le 26-09-2007 à 21:04:58
J'ai trouvé deux liens qui peuvent être utiles:
http://www.dansworkshop.com/Homebu [...] cope.shtml
http://zedomax.com/blog/2006/12/28 [...] illoscope/
Marsh Posté le 28-09-2007 à 17:12:20
J'ai récupéré le balayage d'origine:
à gauche sans déviation verticale, à droite avec +1.2Vdc
Le problème est de régler la vitesse de balayage
Marsh Posté le 28-09-2007 à 17:53:44
Voila: j'ai shunter le condo, mais il ne se décharge pas... 
Marsh Posté le 28-09-2007 à 21:52:23
Et voila:
Pas encore testé...
http://www.ac-nancy-metz.fr/pres-e [...] tm#annexe3
Marsh Posté le 29-09-2007 à 14:13:20
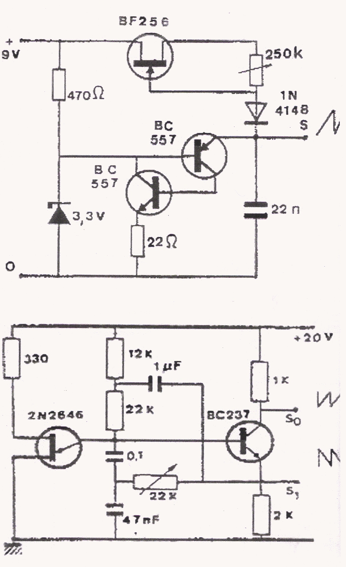
| amaury10 a écrit : Et voila: |
Il ne génère pas une dent de scie...
A laisser tomber (montage équivalent): 
Marsh Posté le 01-09-2007 à 15:21:53
/!\ sur ce poste, il est question de bidouiller un écran cathodique. Les tensions présentes à l'intérieur du boitier sont MORTELLES.Pour plus de surté, baladé un cable reliè à la masse ou à la terre sur toutes les soudures ou connexions de l'écran avant toutes manipulations. Si vous pensez ne pas avoir les connaissances requises en électricité et en électronique, N'ESSAYEZ PAS!!!!
Quelques recommandations d'usage:
Bonjour à tous,
à première vue, ce sujet n'a pas sa place ici; cependant, mon projet est de modifier un moniteur cathodique en oscilloscope. Cela est réalisable en injectant directement les signaux sur les solénoïdes du tube.
cf: http://www.angelfire.com/80s/sixmhz/tvscope.html
http://www-peda.ac-martinique.fr/p [...] illo.shtml
J'ai localisé les fils et réussi à déplacer le spot sur l'écran.
Il ne me manque donc que le générateur de signaux dent de scie pour réaliser le balayage horizontal.
N'étant qu'en début de TermSI, j'ai très peu de connaissance en électronique.
J'ai cependant penser que le schéma suivant pourrait faire l'affaire:
http://www.hiboox.com/lang-fr/imag [...] lf3cbl.jpg
J'aimerai entendre l'avis d'électronicien confirmer et connaitre les valeurs des composants à utiliser.
Vcc ne doit pas dépasser 1V
Merci d'avance.
Message édité par amaury10 le 02-09-2007 à 17:16:40